
低压配电网三相负荷不平衡不仅将增加变压器和线路损耗,而且会影响设备安全运行,因此治理三相负荷不平衡具有很重要的实际意义。本文首先研究了低压配电网台区负荷不平衡机理及分类。其次,对比几种三相负荷不平衡治理装置的原理及工程适用性。Z后,给出了基于智能选相开关的新方案的工程运行数据。15个月的运行数据显示,本技术可以解决配电网台区低压负荷不平衡问题,具有效果明显、成本低、可靠性高的优势,适于推广应用。
1.1引言
低压配电网三相负荷不平衡是长期客观存在的问题。低压配电网通常采用三相四线制供电模式,用户多为单相负荷或单相与三相混和负荷。无论是城市配网的居民小区、写字楼,还是农网的照明、水泵、电机等负荷,都呈现出较大的用电时空特性离散性。低压配电网的三相负荷不平衡将增大损耗并影响设备安全运行。随着分布式新能源的大规模接入,尤其是220V单相新能源的接入,配电网负荷不平衡问题将会更加突出。
1.2配电网低压负荷不平衡机理
配电网三相之间低压负荷的不对称接入是不平衡的基本机理。进一步根据三相负荷不对称的表现特点,有以下分类:
I类-用户接线原因的不平衡
由于低压台区规划管理缺位,三相间承担的用户数量分配不均,或者各相用户用电差异性较大。此类表现为负荷大的相总是大,负荷小的相总是小,相差的比例在全天的各个时段基本没有变化。
II类-时段性的不平衡
II类-时段性的不平衡。在白天轻负荷时段,三相负载基本平衡,晚上负荷高峰时段不平衡程度严重。 或者工厂三相生产用电和单相生活用电混合的场合,白天主要是三相生产用电,相间电流较平衡,晚上生活用电高峰时段,三相电流相差很大。
III类-季节性的不平衡
III类-季节性的不平衡。由于各个季节三相生产用电和单相生活用电的比例在变化,而单相负载在三相上分配不均造成的。典型如农忙时节的灌溉、夏季空调等。
IV类-随机性的不平衡
各相电流大小随时间变化,没有规律性。这种情况反映了单相负载波动大,而该波动在三相上是不同步的。

图1 配电压低压不平衡分类
根据配电网三相负荷不平衡类型,可以采取相应的不平衡控制策略以及调节装置。对于I类和IV类长期规律性和季节性的不平衡,采用人工或自动化智能设备定期改变负荷接入相别来平衡相间负荷,对于II类和III类随机变化的不平衡,宜采用自动化智能设备来调整相间负荷。
1.3 几种不平衡治理装置工程适用性
在国家电网公司《国网运检部关于开展配电台区三相负荷不平衡问题治理工作的通知》(运检三〔2017〕68号)文中,给出了以下治理措施:
1.采取运维管控措施;
2.三相四线制供电入户,尽量减少两线制供电;
3.对于功率因数大于0.85,应结合配变台区建设改造选用低压负荷自动换相装置进行治理。
4.对于功率因数低于0.85的配变台区,应结合配变台区实际情况,选用其中一种措施进行治理:
▼
A.在配变低压侧加装或改造电容器无功补偿装置同时加装低压负荷自动换相装置进行治理。
B.对于低压分支线路较少、负荷主要集中在少数几条分线上的配变台区,采用相间无功补偿装置独立分散补偿”模式。
C.对于低压分支线路较少、负荷主要集中在少数几条分线上的配变台区,采用电能质量综合治理装置独立分散补偿模式。
D.采用“电能质量综合治理装置独立集中补偿”或“电能质量综合治理装置集中补偿+低压负荷自动换相装置”模式。
E.其中,改变负荷接入相别,平均分配各相承担的负荷容量是Z直接和根本的方法。其中负荷的接入开关可以采用晶闸管、复合开关、智能选相开关等。基于相间跨接电容器的三相负荷不平衡控制装置、低压静止无功发生装置(SVG)主要是通过动态补偿网络阻抗,实现三相负荷阻抗平衡。

图2 不平衡治理装置原理图对比
选取现有主流的两种技术方案(a)、(d)与Z 新方案(c)对比,典型应用场景与工程适用性对比如下:

表2 工程适用性对比
通过以上对比,基于智能选相开关的低压配电网负荷不平衡治理技术,采用二极管、接触器、继电器的电力电子组件作为电力电子开关,简化了控制电路,相间切换时间短,无弧切换,可以大幅度延长接触器和辅助继电器的寿命,提高了设备可靠性。因此,在实际工程中选用此方案进一步开展效果评估。其他方案的运行效果可参考现有文献报道。
1.4工程应用效果
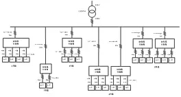
选取山西省阳泉市某小区为示范应用台区。台区由1路10kV供电,台区变压器为630kVar,共有372低压用户。低压配电网台区由一台10kV变压器供电,其低压侧连接多个电缆分接箱,每个电缆分接箱具有一路三相输入,多路单相输出。台区内的低压负荷分别接在电缆分接箱的出线侧。供电台区结构如图3所示:

图3 台区接线图
在电缆分接箱中装设智能选相开关可以提升智能化水平,而且只需要约30%~50%总量的智能化电缆分接箱就可以实现对整个台区的负荷不平衡治理效果。根据现场的实际情况,在1#、2#、3#、4#和5#电缆分接箱处安装本项目的智能选相开关,通过换相操作平均调配三相各自承担的负荷。
装置投运后获得良好的调节效果:

图4 切换过程波形
图4中,波形1为上级控制发出的切换控制命令,波形2为换相操作过程中的负荷电压。波形显示,智能选相开关可以5ms内快速实现换相切换操作,可以保障负荷可靠连续供电。
根据国家电网农村配电网运行监测系统数据,选取2016年1月1日19:00用电晚高峰时刻为代表时刻,台区运行数据如图5所示:

图5 运行监测系统数据
同时,选取2016年1月1日为代表日,全天的不平衡度如图6所示:

图6 投运后台区全天不平衡度
对比投运前后台区代表日的数据,见表3:

表3 投去前后数据对比
目前,装置已经连续稳定安全运行15个月。根据现场运行数据表明,通过使用该装置,台区可获以下效益:
1.改善了供电质量,保障三相负荷平衡。台区不平衡度在运行期间保持长时间小于10%。
2.调整三相不平衡电流,能够有效地降低变压器和线路损耗。根据国家电网公司农村配电网监测系统数据显示,装置运行期间,台区线损平均降低2.37%,台区全年可以节约5万度左右电量,实现了节能降耗。
3.调整三相不平衡电流,使三相负荷平衡,提高了变压器的设备利用率,降低了变压器和中性线因过负荷烧毁的机率,延长了设备寿命。
4.提高了配电设备自动化水平,避免了电力工人频繁手动换相的操作。
1.5 结论
治理配电网低压三相负荷不平衡具有很重要的实际意义。根据治理要求,对比了三种不平衡治理装置的基本原理和工程适用性。给出了其中一种智能选相开关的工程验证。实际运行证明,基于智能选相开关的低压配电网负荷不平衡治理技术具有效果明显、成本低和可靠性高的优点,是解决低压配电网负荷不平衡问题的有效方法之一。